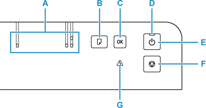
Valdymo skydelis

- A: Lemputė Popierius (Paper)
- Užsidega atsižvelgiant į tuo metu įdėti popieriaus formatą.
- B: Mygtukas Popieriaus pasirinkimas (Paper Select)
- Paspauskite norėdami perjungti popieriaus formatą.
- C: Mygtukas Gerai (OK)
- Nustatomas galutinis popieriaus formatas. Taip pat naudojama klaidoms šalinti.
- D: Lemputė Įjungti (ON)
- Įjungus maitinimą iš pradžių mirksi, o vėliau pradeda šviesti.
- E: Mygtukas Įjungti (ON)
-
Įjungia ar išjungia įrenginį.
- F: Mygtukas Stop
- Spausdinant arba renkantis meniu elementą atšaukia užduotį.
- G: Lemputė Įspėjimas (Alarm)
- Įvykus klaidai dega arba mirksi.

